
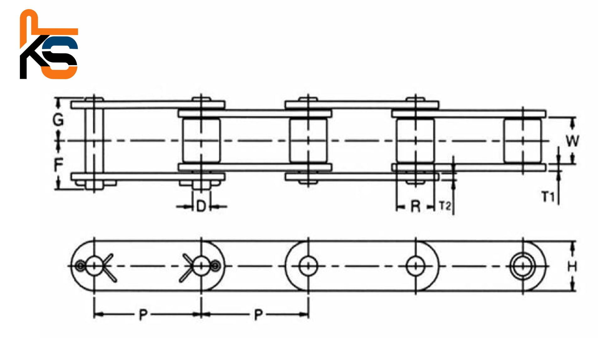
- 81x Chain – High Strength Chains – Conveyor Chain for heavy-duty operations. Our 81x chains include chain sizes 81XH and 81XH/H.
– All Karim Prince’s 81X, 81XH, and 81XH/H chains consist of quad-staked pins and solid bushings to provide longer wear life and handle heavy loads.
– All chain components are heat-treated to achieve greater durability and extended chain life.
– Used in heavy-duty operations and conveying applications in severe environments.


No comment